你提供的照片可能用于改善必应图片处理服务。
隐私政策
|
使用条款
无法使用此链接。检查链接是否以 "http://" 或 "https://" 开头,然后重试。
无法处理此搜索。请尝试其他图像或关键字。
试用视觉搜索
使用图像搜索、识别对象和文本、翻译或解决问题
将一个或多个图像拖到此处,
上传图像
或
打开相机
将图像放置到任意位置以开始搜索
要使用可视化搜索,请在浏览器中启用相机
English
全部
搜索
图片
灵感
创建
集合
视频
地图
资讯
更多
购物
航班
旅游
笔记本
自动播放所有 GIF
在这里更改自动播放及其他图像设置
自动播放所有 GIF
拨动开关以打开
自动播放 GIF
图片尺寸
全部
小
中
大
特大
至少... *
自定义宽度
x
自定义高度
像素
请为宽度和高度输入一个数字
颜色
全部
仅限颜色
黑白
类型
全部
照片
剪贴画
素描
动画 GIF
透明
版式
全部
方形
横版
高
人物
全部
仅脸部
半身像
日期
全部
过去 24 小时
过去一周
过去一个月
去年
授权
全部
所有创作共用
公共领域
免费分享和使用
在商业上免费分享和使用
免费修改、分享和使用
在商业上免费修改、分享和使用
详细了解
清除筛选条件
安全搜索:
中等
严格
中等(默认)
关闭
筛选器
512×341
Analog
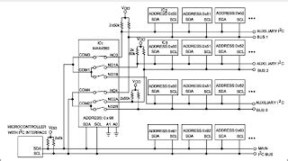
混合信号和数字信号处理IC | Analog Devices
1024×1024
echocollectivefx.com
Analog Interface – echocollectivefx.com
453×483
eetree.cn
Analog
1000×1178
blogspot.com
The Raspberry Pi Hobbyist: Analo…
800×450
computertechinfo.com
Analog Computer: Examples, Types, Characteristics, and Advantages
320×179
learnarduinonow.com
Analog Switch Expands I2C Interface - Academy for Arduino
1232×460
balluff.com
Configurable, single channel analog interface modules | Balluff
1200×675
educatecomputer.com
20 Examples of Analog Computer
198×198
researchgate.net
Schematics of the analog interface. | …
700×556
doc.panel-tag.cn
11.6.1. 概述 — 智显文档中心 v1.0 文档
702×582
welding.cebora.it
Analog interface kit — English
900×900
audiophonics.fr
Two-Way Digital Interface Module SPDIF I2S Analog PCM9211 - Audiophonics
1000×1000
medium.com
Simple Interfaces - Medium
600×647
studiousguy.com
7 Examples of Analogue Compute…
612×244
edn.com
Integrating analog video interface IP into SoCs delivers superb image ...
150×150
store.ncd.io
8-Channel I2C 0-24V Analog To D…
1997×1593
circuitdiagram.co
Digital To Analog Converter Circuit Diagram
250×250
horter-shop.de
I2C-Analog-Cards
1024×1024
quantumzeitgeist.com
A Brief History Of Analog Computers
1920×1080
blog.smowcode.com
Analog Interfaces for the best Systems - Smowcode Blogs
1400×768
semanticscholar.org
Figure 1 from A simple and versatile interface to feed analogue data ...
768×576
quantumzeitgeist.com
How Do Analog Computers Work?
1333×1333
www.wired.com
The Unbelievable Zombie Comeback of Analog Computi…
505×265
doctormonk.com
Dr. Monk's DIY Electronics Blog: Quick2Wire I2C Analog and Raspberry Pi
1199×799
analogmuseum.org
Analog Computer Museum - Impressions of Analog Computers
640×522
doctormonk.com
Dr. Monk's DIY Electronics Blog: Quick2Wire I2C Analo…
400×501
Embedded
Building analog interfaces for lo…
593×451
www.analog.com
SPI/I2C Bus Lines Control Multiple Peripherals | Analog …
918×1188
51wendang.com
Analog & Interface Guid…
1543×535
yilectronics.com
LCDs and Sensors
711×584
skpang.co.uk
Quick2Wire I2C Analogue Board Kit — SK Pang Elec…
600×247
zhuanlan.zhihu.com
江协单片机笔记---12-1 AT24C02(I2C总线) - 知乎
400×519
anilab.cn
安来科学仪器(宁波)有 …
680×380
dreamsourcelab.cn
学堂 - DreamSourceLab(逻辑分析仪/示波器)
449×308
zhuanlan.zhihu.com
串行通讯介绍(SCI、SPI、I2C) - 知乎
某些结果已被隐藏,因为你可能无法访问这些结果。
显示无法访问的结果
报告不当内容
请选择下列任一选项。
无关
低俗内容
成人
儿童性侵犯
反馈